چیلرها یکی از اجزای اصلی در تهویه مطبوع و تاسیسات مرکزی ساختمان های صنعتی و اداری میباشد. چیلرها وظیفه تولید سرما و گرفتن گرمای ساختمان در فصل تابستان بر عهده دارند. چیلرها به دو دسته چیلرهای جذبی و چیلرهای تراکمی تقسیم میگردند. مبنای عملکرد چیلر جذبی و تراکمی متفاوت میباشد. چیلر جذبی بر مبنای واکنش های شیمیایی و واکنش محلول لیتیوم بروماید، گرما را ساختمان خارج می کنند. انواع چیلرهای جذبی به دسته چیلر جذبی تک اثره، چیلر جذبی دواثره بخار و چیلر جذبی شعله مستقیم تقسیم میشوند. بازسازی و طراحی تابلو برقی چیلر میتواند عملکرد بسزایی در چیلر داشته باشد.

بررسی انواع تابلو برق چیلرها
از انواع چیلرها، چیلر تراکمی مورد بحث میباشد. چیلر تراکمی درای ساختمان مکانیکی وسیع میباشد. چیلر کمپرسوری دارای چهار جزو اصلی میباشند. چیلر تراکمی مصرف انرژی جهت ایجاد برودت به صورت الکتریکی می باشد، که در با توجه به کار کمپرسور این انرژی را مصرف میکند. در چیلر تراکمی همانند تمام سیکل تبرید دارای 4 قطعه اصلی کمپرسور کندانسور شیر انبساط و اواپراتور میباشد و مبرد که شریان حرکت سیکل تبرد میباشد. در چیلرهای تراکمی مبرد ابتدا توسط کمپرسور که با انرژی الکتریکی کار میکند متراکم می گردد و سپس به داخل کندانسور وارد میشود گرمای آن گرفته میشود و تغییر فاز میدهد و سپس از حالت گاز به مایع مبرد تغییر میکند در نهایت به وسیله اکسپنشن ولو پودر میگردد و اواپراتور چیلر تراکی تبخیر میگردد. تبخیر فرایندی گرما گیر بوده و گرمای محیط را میگید و باعث سرمایش میگردد.

انواع چیلرهای تراکمی
چیلر تراکمی به انواع،چیلرتراکمی با کمپرسور اسکرو، چیلرتارکمی با کمپرسور سیلندر پیستونی، چیلرتراکمی با کمپرسور اسکرال تقسیم میگردد. این تقسیم بندی بر مبنای نوع کمپرسورهای استفاده شده تقسیم شده است. چیلرهای تراکمی اسکرو دارای کمپرسور اسکرو میباشد این مدل چیلرها بر در حال حاضر جز پیچیده ترین چیلرهای موجود در بازار ایران میباشد. چیلرهای این کمپرسورها برای چیلر تراکمی با ظرفیت 40-1200 تن تبرید مورد استفاده قرار میگردد بازده آن بالاتر از چیلرهای با کمپرسورهای سیلندر پیستونی می باشد دارای دو روتور نر و ماده میباشد، که با چرخش آنها مبرد متراکم میگردد
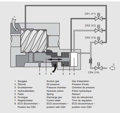
روش کنترل ظرفیت در این کمپرسورها در ارتباط با روغن و حرکت اسلایدر میباشد که این کنترل به دو حالت مرحله ای و پیوسته قابلیت کار دارد.

تابلو برق چیلر اسکرو
در شکل بالا شماتیک هیدرولیک کمپرسور چیلر تراکمی مورد استفاده نشان داده شده است. با حرکت اسلایدر، جریان گاز ساکشن کنترل می شود. اگر اسلایدر کاملا به سمت ساکشن حرکت کند(در شکل بالا به سمت چپ برود)، فضای کاری بین پروفایل ها با گاز ساکشن پر می شود. هر چقدر اسلایدر به سمت دیسشارژ حرکت کند، حجم پروفایل کمتر می شود. هرچقدر مبرد کمتری گرفته شود، جریان کاهش می یابد و ظرفیت نیز کاهش خواهد یافت.این کنترل ظرفیت بر مبنای تغییرات کنترل تابلو برق چیلر بر شیر برقی های کمپرسور اسکرو چیلر تراکمی میباشد. این کمپرسورها دار ای چهار شیر برقی میباشد که با توجه به نیاز دمایی در چهر ظرفیت 25درصد 50 درصد 75 درصد و 100 درصد در مدار قرار میگیرد. دستور و فرمان کنترل ظرفیت و قرار گیری دقیق کمپرسور در مدار چیلر توسط تابلو برق چیلر به مدار مکانیکی ارجاع داده میشود.

لذا کنترل قطعات مکانیکی چیلر باید توسط تابلو برق و مکانیزم کنترل صورت پذیرد.
انواع تابلو برق چیلر
تابلو برق چیلر تراکمی شامل دو بخش قدرت و فرمان میباشد. بخش قدرت وظیفه برق رسانی به کمپرسور چیلر را برعهده دارد. این بخش شامل کلید های حرارتی و کنتاکتور و کابل های مربوطه و اتصال آن به تخته کلم چیلر میباشد و بخش فرمان شامل plc یا کنترلر سنسورها و فیوز ها و میباشد. در استاندار نقشه کشی IEC معمولا بخش فرمان چیلر در سمت چپ و بخش مدار قدرت چیلر تراکمی در سمت راست قرار دارد.


مدار قدرت چیلر یکی از جزای مهم آن میباشد در چیلرهای تراکمی این مدار وظیفه اصلی برق رسانی به چیلر را بعهده دارد. در کمپروسرهای چیلر تراکمی با توجه به ظرفیت کمپرسور انواع روش راه اندازی را شامل میگردند. روش اول روش مستقیم میباشد که که در ظرفیت های تا چهل تن تیرید مورد استفاده قرار میگیرد در کمپرسورهای سیلندر پیستونی این روش مورد استفاده قرار میگیرد. روش دوم راه اندازی روش پارت واندینگ میباشد این روش به جهت راه اندازی کمپرسورهای چیلر تا ظرفیت 50 الی 120 تن تبرید موزد استفاده قرار میگیرد. در این روش آمپر راه اندازی چیلر مقدار قابل توجهی افت خواهد کرد. این مدل کمپرسورهای چیلر دارای دو ورودی و دو کنتاکتور و دو کلید حرارتی میباشد. مدل دیگر که در ظرفیت های بالا مورد استفاده قرار میگیرد راه اندازی به صورت ستاره مثلث میباشد. ستاره مثلث یکی از روش های مرسوم مورد استفاده در چیلرها و انواع موتورهای الکتریکی مورد اسفاده قرار میگرد. این روش باعث می گردد آمپر راه اندازی در کمپرسورها میگردد. این کاهش آمپر باعث آسیب کمتر به تجهیزات حفاظتی میگردد.

انتخاب کلید و کنتاکتور جهت چیلر تراکمی
انتخاب تجهیزات مدار قدرت چیلر در بازسازی و طراحی تابلو برق چیلر یکی از الزامات بسیار مهم و حیاتی در طراحی تابلو برق چیلرهای تراکمی و جذبی میباشد. جهت بررسی این عامل ابتدا باید عومل حفاظت از موتورهای الکتریکی را بررسی نماییم.

حفاظت موتورهای الکتریکی
موتورهای الکتریکی با توجه ظرفیت آنها مقدار آمپر مجاز در پلاک و کاتالوگ آنها درج شده است. به عنوان مثال یک موتور الکتریکی 5 اسب بخار ماکزیمم آمپر مجاز آن 10 آمپر میباشد. در موتورهای الکتریکی آمپر وقتی از محدوده مجاز بالاتر میرود باعث آسیب به موتور الکتریکی میگردد. در مدارهای برقی تابلو برق چیلر ما دو نوع افزایش آمپر را باید از آن حفاظت کنیم. افزایش آمپر جریان مکانیکی و افزایش آمپر جریان حرارتی میباشد. جریان حرارتی اضافه جریانی میباشد که ناشی اضافه بار بر موتورالکتریکی تحمیل میشود. این اضافه بار باعث افزایش جریان الکتریکی بیشتر از حد مجاز میگردد. این افزایش آمپر باعث گرم شدن موتور و در نهایت سوختگی کمپرسور چیلر میگردد. این جهت جلوگیری از این مدل سوختگی کمپرسور چیلر باید حفاظت صحیح بر چیلرها انجام داد. حفاظت در برابر جریان الکتریکی ناشی از افزایش جریان بر عهده قطعات همچون کلید حرارتی، بی متال میباشد. حفاظت دیگر موتور حفاظت جهت اتصال کوتاه میباشد. این حفاظت در صورتی که موتور دارای نشتی جریان باشد در هنگام اتصال برق باعث میگردد جریان اولیه عظیمی از مدار برق عبور کند که جهت حفاظت از این جریان باید کلید با قابلیت حفاظت در برابر اتصال کوتاه در مدار قدرت برق چیلر تعبیه کرد. جهت حفاظت های مذکور از قطع کننده های مدار برق قدرت استفاده میکنیم. از جمله کلید های اتومات میتوان به MCB و MCBB ها اشاره کرد این کلید ها به جهت حفاظت مدار در برابر اضافه بار و جریان اتصال کوتاه طراحی و تعبیه در تابلو برق چیلر میگردند. این کلید معمولا دارای رنج آمپری جهت انتخاب در محدود قطع جریان میباشند.

در این کلید در محدود رنج انتخابی دارای دو مولفه جریان با نام های Ir و Im میباشد. این دو مولفه به تربیت مربوط به جریان اضافه بار و جریان اتصال کوتاه میباشد. این کلید های باید با توجه به رنج مورد نیاز موتور الکتریکی چیلر تراکمی انتخاب و در محدود مجاز انتخاب گردند.

با استفاده از کلید های اتومات میتوان حفاظت مطلوبی بر روی موتورهای الکتریکی استفاده نمود.
انتخاب کنتاکتور جهت چیلر تراکمی
کنتاکتور کلیدهای الکترومغناطیسی می باشند که مهمترین قطعه از مدارهای فرمان الکتریکی را تشکیل می دهند. کنتاکتور با استفاده از خاصیت الکترومغناطیس، تعدادی کنتاکت را به یک دیگر وصل یا از یکدیگر جدا می کند. از این خاصیت برای قطع و وصل یا تغییر اتصال مدار استفاده می شود. کنتاکتورها تشکیل شده اند از بوبین و پلاتین های ثابت و متحرک.
هرگاه برق تغذیه بوبین کنتاکتور را به دو سر بوبین اعمال کنیم پلاتین های متحرک و ثابت به یکدیگر متصل شده و آن حالتی است که از آن جریان برق عبور می کند و هرگاه برق تغذیه بوبین را قطع کنیم پلاتین های متحرک از پلاتین های ثابت جدا گردیده جریان عبوری برق قطع خواهد گردید. در چیلرهای تراکمی جهت قطع ووصل کمپرسور چیلر از از کنتاکتور استفاده میکنیم. کنتاکتور ها باید متناسب با ظرفیت الکتریکی کمپرسور چیلر تراکمی در قرار گیرند. جهت انتخاب کلید حرارتی و کنتاکتور جهت چیلر تراکمی یک مثال عملی را بررسی میکنیم. در این مثال یک کمپرسور اسکرو BITZER آلمان به مدل CSH7583-80 را بررسی میکنیم. این کمپرسور در چیلر های تراکمی و سرد خانه های صنعتی وتجاری مورد استفاده قرار میگیرد. ظرفیت کمپرسور مذکور 80 اسب میباشد. حال جهت بررسی به کاتالوگ کمپرسور مراجع نموده منابع مورد نیاز تصویر زیر گزارش نرم افزار شرکت معظم Bitzer به جهت کمپرسور میباشد. این کمپرسور در محدود 80 اسب به روش پارت واندینگ راه اندازی میگردد. پس جریان مصرفی آن توسط دو مسیر قدرت تامین میگردد. در این کمپرسور آمپر مصرفی (current) در محدود 83.5 آمپر میباشد. حال جهت انتخاب کلید حرارتی عدد مذکور را تقسیم بر 2 کرده میشود42.5 آمپر که به جهت این عدد باید کلید حرارتی در محدود فوق پیدا کنیم. با مراجعه به کاتالوگ های شرکت معظم Schneider کلید حرارتی gv3p50 در محدود عملکرد این کمپرسور میباشد. بنابراین دو عدد کلید حرارتی جهت آن انتخاب میکنیم.

جهت انتخاب کنتاکتور جهت کمپرسور csh7583-80 در بازسازی و طراحی تابلو برق چیلر با توجه به مدار قدرت آن و سیم کشی آن به صورت part winding باید دو کنتاکتور انتخاب نمود. این کنتاکتور ها باید براساس ماکزیم جریان مجاز انتخاب گردند به عنوان مثال max operation current در این کمپرسور اسکرو چیلر 144 آمپر میباشد که با تقسیم دو آن مقدار آن 72 آمپر میگردد جهت ظریب اطمینان 10 درصد به آن اضافه میکنیم که مقدار 79.2 میگردد. جهت این مقدار مطابق با جدول کنتاکتورها و در نظر گرفتن ضرایب دیگر انتخاب کنتاکتور مطابق با استاندار IEC کنتاکتور برند اشنایدر مدل D80 میکنیم.

پس از آن نقشه مدار قدرت تکمیل میگردد. در نقشه مدار قدرت باید کابل های مربوطه نیز مطابق با استاندارد تکمیل میگردد. کابل قدرت هر کمپرسور باید مطابق با ظرفیت آمپر عبوری از چیلر تراکمی تکمیل میگردد.

