μc2SE كنترلر کامپکت شرکت CAREL است که به منظور مدیریت کامل چيلر ،پکيج ،کندانسور یونيت و هيت پمپ طراحی شده است. این کنترلر می تواند یونيتهای air-air, air-water, water-water را کنترل و مدیریت نماید. این کنترلر که به عنوان مینی PLC معرفی میگردد در تابلو برق های چیلر تراکمی و مینی چیلرها و بسیار مورد توجه قرار میگیرد. به دلیل قیمت مناسب همچنین قدرت پردازش بالا استفاده از آنها بسیار در تولید کننده های ایرانی رواج دارد. این کنترلر پارامتریک بوده و دارای قابلیت پارامتر دهی میباشد. لذا کار کردن با آنها بسیار راحت می باشد. در این مقاله سعی داریم به بررسی اجمالی بر نحوه سیم کشی آن بپردازیم.

این کنترلر قادر است:
- دمای ورودی و خروجی اواپراتور را کنترل کند.
- مدیریت دیفراست بر اساس زمان یا بر اساس دما یا فشار
- مدیریت کمپرسور ها
- کنترل سرعت فن و مدیریت فنهای کندانسور
- مدیریت کامل آلارمها
- اتصال به خط سریال به منظور کنترل از راه دور و عيبیابی الکترونيکی و همچنين شبکه نمودن کنترلرها
- مدیریت ولوهای الکترونيکی توسط ماژول درایور ولو الکترونيک
تجهيزات قابل کنترل:
- کنترل 4 کمپرسور در دو مدار
- کنترل فن کندانسور و فن اواپراتور در پکیجها
- کنترل Reversing Valve
- کنترل پمپ آب اواپراتور در چیلرها
- هيتر جلوگیری از یخ زدگی
- تجهيزات آلارم
این کنترلر در مجموع توانایی مدریت مدار فرمان یک چیلر تراکمی دو مداره دارای چهار کمپرسور اسکرال یا سیلندر پیستونی به همراه متعلقات دیگر را کنترل نماید در مجموع میتواند دو عدد سنسور فشار دیسشارژ و دو عدد فشار ساکشن چهار عدد سنسور دما همچنین دو عدد شیر انبساط الکترونیکی کرل را کنترل نماید. لازم به ذکر است ادوات کنترلی از قبیل لوپرشر سوییچ های پرشر سوییچ و فلوسوییچ همگی قابلیت تعریف در این کنترلر را دارند. این مجموعه تنظیمات به کمک کارت های افزایشی و اتصال آنها به میکرو کنترلر باعث افزایش بهره بری و کاربری چیلر میگردد.
نمايشگر μC2SE :
نمایشگر کنترلر یک نمایشگر سه رقمی است که مقادیر 99.9 تا -99.9 روی آن قابل نمایش است. تنظيمات کارخانه به صورتی است که عدد روی نمایشگر دمای پراب متصل به ورودی آنالوگ B1 را نمایش می دهد که این همان دمای هوای ورودی به کویل اواپراتور است که میتواند هوای برگشت، و یا مخلوطی از هوای برگشت و تازه باشد. زمانيکه کنترلر برای کنترل چيلر تنظيم میشود دمای آب ورودی به اواپراتور، و زمانيکه کنترلر برای کنترل پکيج تنظيم گردد دمای محيط است.
نمادها و سیمبل های نمایش داده شده در شکل 1، در جدول شماره 1 شرح داده شده است.

جدول1- تعاریف سیمبول ها و علائم در μC2SE
| symbol | Color | Meaning | reference refrigerant circuit | |
| With LED on | With LED flashing | |||
| 1;2 | زرد | کمپرسور 1 یا 2/ یا با هم روشن | تقاظا برای استارت | 1 |
| 4;3 | زرد | کمپرسور 3 یا 4/ یا با هم روشن | تقاظا برای استارت | 2 |
| A | زرد | وقتی یکی از کمپرسور ها روشن باشد | 1/2 | |
| B | زرد | پمپ یا فن | تقاظا برای استارت | 1/2 |
| C | زرد | فن کندانسور | 1/2 | |
| D | زرد | دیفراست | تقاظا برای استارت | 1/2 |
| E | زرد | هیتر | 1/2 | |
| F | قرمز | آلارم فعال | 1/2 | |
| G | زرد | (P6=0) مود هیت پمپ | heat pump mode request (P6=0) | 1/2 |
| H | زرد | (P6=0)مود چیلر | chiller mode request (P6=0) | 1/2 |
عملکرد های مرتبط با کلیدها:
جدول 2
| کلید | فشردن کلید | وضعیت دستگاه |
| I | در زمان برقدار کردن دستگاه | بارگذاری مقادیر دیفالت |
| یک بار | رفتن به یک زیر گروه در داخل ناحیه برنامه نویسی، تا زمان خروج (ذخیره کردن تغییرات در EEPROM) | |
| یک بار | در صورت رخداد آلارم، زنگ آلارم را بی صدا می کند (در صورت وجود) و غیر فعال کردن رله زنگ | |
| L | برای 5 ثانیه | دسترسی به پارامترهای مستقیم |
| یک بار | انتخاب آیتمها در زمان تنظيم پارامترها و تأیید کردن پارامتر های تنظیم شده | |
| I+L | برای 5 ثانیه | برنامه ریزی پارامترها بعد از وارد نمودن پسورد |
| J | یک بار یا فشردن و نگه داشتن | انتخاب پارامترهای بعدی زمان تنظيم پارامترها |
| یک بار یا فشردن و نگه داشتن | افزایش مقادیر پارامترها | |
| برای 5 ثانیه | سوییچ از حالت standby به مد هیت پمپ (P6=0) | |
| یک بار | دسترسی به مقادیر فشار اواپراتور و کندانسور و دمای پرابها | |
| K | یک بار یا فشردن و نگه داشتن | انتخاب پارامترها در زمان تنظيم |
| یک بار یا فشردن و نگه داشتن | کاهش مقادیر پارامترها | |
| برای 5 ثانیه | سوییچ از حالت standby به مد هیت پمپ (P6=0) | |
| یک بار | دسترسی به مقادیر فشار اواپراتور و کندانسور و دمای پرابها | |
| J+K | برای 5 ثانیه | ریست آلارم به صورت دستی
|
| برای 5 ثانیه | ریست فوری ساعت کارکرد | |
| L + J | برای 5 ثانیه | دیفراست دستی سيستم به صورت اجباری برای هر دو مدار |
برنامه ريزی و ذخيره پارامترها
- کلید prg و sel را به مدت 5 ثانیه نگه دارید.
- علامت روی نمایشگر ظاهر ميگردد.
- برای وارد نمودن پسورد ⇓ و ⇑ را به کار ببرید و به وسيله کليدsel آنرا تایيد کنيد.
- برای انتخاب پارامترهای(L-P) و (S-P) کليدهای ⇓ و ⇑ را به کار ببرید و سپس کليد sel را فشار دهید.
- برای انتخاب گروه پارامترها ⇓ و ⇑ را به کار ببرید و سپس کليد Sel را فشار دهيد.
- برای انتخاب یک پارامتر خاص ⇓ و ⇑ را به کار ببرید و سپس کليدsel را فشار دهيد.
- بعد از اینکه تغييرات را اعمال کردید برای تایيد تغييرات کليد sel را فشار دهيد و برای کنسل نمودن تغييرات کليد prg را فشار دهيد.
- برای برگشتن به منوی قبلی prg را فشار دهيد.
- برای ذخيره کليه تصحيحات پارامترها کليدprg را مرتباً فشار دهيد تا به منوی اصلی برسيد.
ماژول توسعه برای دستگاه μC2SE :
کنترلر های اقتصادی μC2SE شرکت کرل به دلیل محدودیت در تعداد ورودی خروجی قادر است یک سیکل تبرید را مدیریت کند. ولی این قابلیت وجود دارد که سیکل دوم با اضافه کردن دستگاه ماژول توسعه مدار دوم را نیز مدیریت کرد.

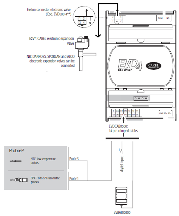
کنترلر سوپرهیت EVD4:
این کنترلر برای مدیریت شیر های انبساط الکترونیک که در مدار تبرید یه کار گرفته می شوند مورد استفاده قرار می گیرد. این کنترلر قادر است که سنسورهای 0 _10 V و 4_20 mA کار کرده و مدارات تبرید و تهویه مطبوع را به منظور کنترلر سوپرهیت تحت نظر داشته باشد.
کنترلر مورد استفاه در محصولات شرکت سرما آفرین با کد EVD000043* بوده و سازگار با کنترلر μC2SE می باشد. به عبارتی در دستگاه هایی که از کنترلر μC2SE استفاده شده است، از کنترلر سوپرهیت EVD4 استفاده شده است.
معرفی سوکتهای دستگاه EVD4:
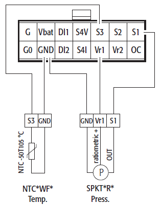
سوکت منبع تغذیه، سنسورها و IO های دیجیتال:


کانکتور 14 پین MINIFIT شکل . . . ارتباطات اصلی کنترلر با ادوات دیگر را انحام می دهد که در جدول ذیل به معرفی ترمینال های مورد استفاده در محصولات شرکت سرما آفرین پرداخته شده است.
جدول 3
| توضیحات | پایه |
| منبع تغذیه 24V | G, G0 |
| پایه زمین برای تمامی سیگنالهایی که نیاز به پایه زمین دارند. | GND |
| ولتاژ 5V مرجع برای سنسورهای Ratiometric | Vr1,Vr2 |
| اتصال سنسور فشاری لوله ساکشن | S1 |
| اتصال سنسور دما NTC لوله ساکشن | S3 |
نحوه ارتباط دستگاه μC2SE با EVD4:
در کنترلر های μC2SE برای ارتباط بین کنترلر فوق و دستگاه کنترلر از خط ارتباطی RS485 با پروتکل اختصاصی tlan استفاده شده است. کانکتور مربوطه در شکل زیر نشان داده شده است.

جدول 4
توضیحات | پایه |
| سیگنال زمین در اتصالات با زمین | GNX |
| پایه + برای اتصال RS485 | RT+ |
| پایه + برای اتصال RS485 | RT– |
ترمینال اتصال به شیر انبساط الکترونیکی:
کانکتور 6 پین MINIFIT برای ارتباط با شیر انبساط الکترونیک در نظر گرفته شده است.
در شکل زیر نحوه اتصال به هکراه رنگ مابل مربوطه نمایش داده شده است.

جدول 5
| توضیحات | پایه |
| + Phase A | 1 |
| + Phase B | 2 |
| – Phase A | 3 |
| – Phase B | 4 |
| اتصال الکتریکی با GND و اتصال زمین با پنل تابلو برق | GND |
کانکشن دیاگرام شبکه کردن μC2SE :
ارتباط میان کنترلر μC2SE ، ماژول توسعه IO Expansion و کنترلر های سوپرهیت از طریق پرتکل tlan می باشد. دیاگرام ارتباط در شکل 3 نمایش داده شده است.

نقشه های ارتباطات الکتریکی سوکت ها:
در شکل زیر شماتیک اتصال شیر انبساط الکترونیکی کرل و ادوات دیگر به کنترلر EVD4 نمایش داده شده است.


