کنترلر کرل یکی از گسترده ترین سیتم های کنترل در انواع سیستم های تهویه مطبوع میباشد. این کنترلر در قالب plc نمایشگر در انواع چیلرها نصب گردیده است. چیلرهای تراکمی ایرانی و اکثر چیلرهای تراکمی ایتالیایی وارد شده در ایران از این کنترلر استفاده میکنند. PLC یک کنترلر قابل برنامه نویسی میباشد. در صنعت تبرید از کنترلر های carel danfoss استفاده میکنند. در این مقاله قصد داریم چگونگی کار با این کنترلر قدرت مند در صنعت تهویه مطبوع و چیلرهای تراکمی بررسی نماییم. به کمک این کنترلر میتوان مدار فرمان چیلر تراکمی را آسوده نمود باعث کارایی و کنترل دقیق میگردد.
این کنترلر با قابلیت برنامه ریزی پیشنهاد کرل برای استفاده در سیستم های HVAC/R می باشد. این کنترلر دارای رابط کاربری و ترمینال های ارتباطی برای کنترل از راه دور و مانیتورینگ است. با توجه به نیاز مشتری سیستم های کنترلی کرل به درگاههای ارتباطی سریال استاندارد مجهز شده است. کنترلر PCO5 قادر است انواع مختلف سنسور های (ratiometric, NTC, 4to20mA) ساپورت کرده و نمایش دهد. این کنترلر قادر است با استفاده از پورت سریال فیلد باس به ادوات در سایت مانند: شیرها،IO های ماژول های توسعه و درایور های شیرهای الکترونیک متصل گردد.
نمایشگر گرافیکی PGD1 :

این یک نمایشگر گرافیکی 6 دکمه ای با 132*64 پیکسل و با صفحه نمایش با پس زمینه آبی، سبز و سفید ساخته شده و سازگار با ادوات کنترلی کرل سفارشی سازی شده است. در این نمایشگر از طریق یک خط اتصال RS485 و پرتکل اختصاصی PLAN به کنترلر های سری PCO متصل می شود.
طریقه اتصال نمایشگر ها در کنترلر کرل در شکل زیر نمایش داده شده است.

سنسور های فشار SPKT:
سنسورهای اکتیو فشاری کرل Ratiometric (0to 5V) بوده و بایستی با ولتاژ 5V تغذیه گردد و با کد SPKT شناسایی می گردد. برای استفاده در مدارات مبرد، تهویه و تبرید طراحی شده اند. این سنسور ها در 5 رنج مختلف ساخته می شوند.
این سنسوها دارای سه پایه می باشند.

سنسور های دمایی NTC:
سنسور های NTC (negative temperature coefficient)، سنسور های دمایی هستند که با تغیر دما مقاومت خروجی آن تغییر می کند. در سنسور های NTC با افزایش دما مقاومت خروجی سنسور کاهش یافته و بلعکس با کاهش دما مقاومت در خروجی افزایش می یابد.
این سنسورها قبلیت های مناسبی داشته و دربازه دمایی -55 °C الی 200 °C مورد استفاده قرار می گیرد. ضریب حساسیت این سنسورها مناسب بوده و در صنایع تهویه و تبرید مورد استفاده قرار می گیرد.

کنترلر سوپر هیت EVD EVO :
این کنترلر EVD Evolution برای کنترل شیر های انبساط های موتور پله ایی دو قطبی طراحی شده است. این شیر انبساط ها در مدار های مبرد صنایع تهویه مطبوع و تبرید مورد استفاده قرار می گیرند. این کنترلر می تواند سوپرهیت خروجی اواپراتور را کنترلر کرده و حداکثر بهره وری را در مدار ایجاد نماید. همچنین این کنترلر با فابلیت انعطاف پذیری بالای خود قادر است با انواع مختلف گاز های تبرید کار کند.
این کنترلر می تواند با استفاده از پروتکلهای pLAN, tLAN and RS485/Modbus با کنترلر های خانواده PCO ارتباط برقرار کرده و مدیریت شوند.
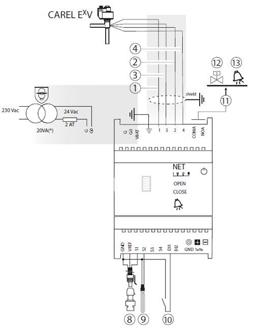
وایرینگ دستگاه برای استفاده از برنامه کنترلر سوپر هیت:
بمنظور کنترل سوپر هیت مدار تبرید و با استفاده از شیر انبساط و کنترلر کرل ادوات جانبی نمایش داده شده است. وایرینگ این ادوات در شکل نمایش داده شده است.

- صفحه نمایش کرل شامل دکمه های زیر میباشد :

و
: در منوی انتخابی جهت بالا و پایین کردن، کم و زیاد کردن مقادیر و همچنین وارد کردن پسورد استفاده میشود و در خارج از منوی انتخابی جهت مشاهده وضعیت فنها و مقادیر سنسورها استفاده میشود.
: به منظور انتخاب کردن، ورود به منوی مورد نظر و همچنین تائید مقادیر وارد شده استفاده میشود.
: جهت مشاهده آلارمهای ایجاد شده در دستگاه استفاده میشود که هنگام رویداد آلارم چراغ قرمز چشمک زن آن روشن میشود.
: جهت ورود به منوی اصلی برنامه برای ایجاد تنظیمات مربوطه استفاده میشود.
: برای بازگشت از منوی انتخابی به منوی قبلی استفاده میشود.
با روشن کردن فیوز اصلی، دستگاه آماده به کار و استارت میباشد. قبل از استارت دستگاه باید از منوی اصلی، مدل چیلر مربوطه را انتخاب کرد، در غیر این صورت دستگاه به هیچ وجه استارت نخواهد شد.

برای انتخاب مدل دستگاه و انجام تنظیمات پیش نیاز استارت، با فشردن دکمه
وارد این تنظیمات شوید.
برای ورود به این تنظیمات، نیاز است پسوردی را که برای تعیین سطوح کاربری مختلف ایجاد شده است را وارد کنید.
ابتدا دکمه
را بزنید تا نشانگر صفحه نمایش روی اولین رقم پسورد قرار گیرد، سپس مقادیر عددی را با استفاده از دکمه های
و
وارد کرده و برای تایید عدد مورد نظر مجدداَ دکمه
را بزنید.

این کار را تا وارد کردن آخرین شماره پسورد که چهار رقمی میباشد ادامه داده و با استفاده از دکمه
، OK کنید.

تذکر: در صورت اشتباه وارد کردن پسورد صفحه زیر نمایش داده میشود، که میبایست فرآیند بالا را مجددا جهت وارد کردن پسورد تکرار کنید.

پس از وارد کردن پسورد وارد منوی زیر میشوید، که هم میتوانید با انتخاب گزینه “Change Password” پسورد را تغییر دهید و هم با استفاده از دکمه های
و
گزینه “Next” را انتخاب کنید و سپس با فشردن دکمه
وارد مرحله بعد شوید.

پس از اینکه گزینه “Next” را انتخاب کردید، منوهای زیر برای شما نمایش داده میشود که میتوانید با ورود به هرکدام از آنها به تنظیمات مربوط به آن دسترسی داشته باشید:
- Setup
- Service
- Alarm Activation
- Probe Existence
- Alarm Reset Type
- Condenser Fan
- About
Setup
با وارد شدن به منوی Setup صفحه زیر به شما نمایش داده میشود:

با استفاده از دکمه های
و
میتوانید به صفحات تنظیمات مدل دستگاه، نوع کمپرسور، نوع کنترل دستگاه و… که پیش نیاز استارت دستگاه میباشند، دسترسی پیدا کنید.
ابتدا با فشردن دکمه وارد صفحه تنظیمات مدل دستگاه و نوع کمپرسور مورد استفاده شوید:

در این صفحه با فشردن دکمه
میتوانید از 50N تا 280، مدل دستگاه خود را انتخاب کنید و برای تائید آن مجدداَ دکمه
را فشار دهید.
پس از آن تنظیمات نوع کمپرسور مورد استفاده در دسترس شما قرار میگیرد که میتوانید با استفاده از دکمه های
و
نوع Hanbell یا Bitzer بودن آنرا انتخاب کرده و با دکمه
تائید کنید.

مجددا با استفاده از دکمه
به صفحه بعد که مربوط به تنظیمات نوع کنترل مورد استفاده میباشد، وارد شوید. در این صفحه میتوانید نوع کنترل P و یا PI را انتخاب کنید و برای تائید آن مجدداَ دکمه
را فشار دهید.

پس از انتخاب نوع کنترل، با استفاده از دکمه
به صفحه بعدی که مربوط به تنظیمات کنترل چیلر بر اساس آب ورودی و یا خروجی اواپراتور میباشد، بروید. در این صفحه میتوانید نوع کنترل بر اساس EIWT و یا EOWT را انتخاب کنید و برای تائید آن مجدداَ دکمه
را فشار دهید.

مجددا با استفاده از دکمه
میتوانید به صفحه بعد که مربوط به تنظیمات Unload کمپرسورها بر اساس فشار بالا و پایین است، وارد شوید. در این صفحه میتوانید Unload کمپرسورها بر اساس فشار بالا و پایین را فعال یا غیر فعال کنید، همچنین تنظیمات ست پوینت و Diff. فشار بالا و پایین برای Unload کمپرسورها در دسترس میباشد.

توجه: در هر مرحله میتوانید با استفاده از دکمه
به منوی قبلی بازگردید.
Service

منوی Service شامل گزینه های زیر میباشد :
- Digital Input
- Digital Output
- Service Menu
که با استفاده از دکمه های
و
میتوانید منوی مورد نظر را انتخاب کرده و با فشردن دکمه
وارد آن شوید.
1.2.1. Digital Input
با وارد شدن به منوی Dig. Input صفحه زیر به شما نمایش داده میشود:

با استفاده از دکمه های
و
میتوانید به صفحات مربوط به Status ورودیهای دیجیتال دستگاه دسترسی پیدا کنید. در این صفحات وضعیت Close یا Open بودن کلیه ورودیهای دیجیتال دستگاه مشخص میباشد.


1.2.2 Digital Output
با وارد شدن به منوی Dig. Output صفحه زیر به شما نمایش داده میشود:

با استفاده از دکمه های
و
میتوانید به صفحات مربوط به Status خروجیهای دیجیتال (صفحات 2 و 3 ) دسترسی پیدا کنید. در این صفحات وضعیت ON یا OFF بودن کلیه خروجیهای دیجیتال دستگاه مشخص میباشد.


همچنین در صفحات بعدی این منو، قابلیت ON و OFF کردن (به صورت Manual) خروجیهای دیجیتال دستگاه جهت تست موجود میباشد. (صفحات 4 تا 11 )
برای این کار ابتدا میبایست مطابق شکل زیر وضعیت خروجیهای دیجیتال دستگاه را از حالت Auto به حالت Manual تغییر دهید (صفحه 4):

در این وضعیت میتوان کلیه خروجیهای دیجیتال تعیین شده در منو را به صورت دستی on و off کرد.
با استفاده از دکمه های
و
به صفحات مربوط به تست خروجیهای دیجیتال بروید. (صفحات 5 تا 11)
سپس مطابق شکل زیر با فشردن دکمه
روی خروجی دیجیتال مورد نظر رفته و با دکمه های
و
آن را از حالت Unpowered به حالت Powered تغییر دهید.

تذکر: برای تست خروجیهای دیجیتال به صورت Manual، حتما میبایست سوئیچ on/off اصلی دستگاه در وضعیت off باشد. (دستگاه خاموش باشد)
پس از اتمام تست نیز حتما وضعیت خروجیهای دیجیتال را به حالت Auto برگردانید.

