چیلرهای کریر نصب شده در ایران، چیلر تراکمی به همراه کمپرسور رفت و برگشتی میباشد. این چیلرها در ظرفیت ها 20 تن تبرید تا الی 240 تن تبرید تولید و در بازار عرضه شده اند. شرکت معظم carrier در سال 1347 با کریر ترموفریگ در ایران واقع در شهرک صنعتی البرز قزوین تاسیس نمود که بعد از انقلاب اسلامی با نام سرما آفرین فعالیت خود را ادامه داد. مهمترین تولید این شرکت، چیلرهای کریر با کمپرسور سیلندر پیستونی میباشد. این چیلر در دو نوع اب خنک موسوم به 30HR و چیلرهای هواخنک دوپارچه معروف به 30HS تولید گشته اند. در بسیاری از پروژه های کشور این چیلر در قسمت های صنعتی از جمله صنایع نفت و گاز و بیمارستان ها و ادارات و برج های خانگی و اداری مورد استفاده وسیع قرار گرفته است. لذا با توجه به گستردگی مورد استفاده از آنها تعمیرات چیلر تراکمی کریر و عیب یابی آنها بسیار مهم می باشد. جهت عیب یابی صحیح این چیلرها باید اجزا و عملکرد کمپرسورهای سیلندر پیستونی به خوبی بررسی کنیم.
کلید های فشار بالا و فشار پایین (High and low pressure switches)
کلید فشار بالا (High pressure switch)
به آهستگی شیر قطعکن دهش (discharge) را ببندید تا کمپرسور خاموش شود (فشار قطع در جدول زیر نشان داده شده است). کنتاکتور کمپرسور و رله کنـترل مدار را دوباره فـعال کنـید. این کار را از طریق فشار دادن دکمه START-STOP به وضعیت STOP و سپس START انجام دهید.
شیر قطع کن دهش را دوباره باز کنید. وقتی فشار به حد فشار وصل نشان داده شده در جدول می رسد، کمپرسور باید روشن شود.
کلید فشار پایین (Low pressure switch)
شیر قطع کن مکش را آهسته ببندید و اجازه دهید تا فشار کمپرسور تخلیه شود. زمانی که فشار مکش به 27 psig افت می کند کمپرسور باید خاموش شود و هنگامی که فشار تا 60 psig بالا می رود باید به طور اتوماتیک مجدداً راه اندازی شود. هر دو سوئیچ را در زمان راه اندازی و پس از آن حداقل سالی یک بار چک کنید.
ارور لو پرشر سوییچ بیبشتر به دلیل نشتی و از دست رفتن گاز سیکل منجر میشود و ارور های پرشر سوییچ که دلیل بالارتن فشار سیکل صورت میگیرد.
جدول 4 – تنظیم سوییچ فشار (psig)
| UNIT30 | HIGH PRESSURE* | LOW PRESSURE | ||
| Cutout | Cut-in | Cutout | Cut-in | |
| HRZ | 280 7 | 180 20 | 27 4 | 60 ±15 |
| HSZ | 335 7 | 235 20 | 27 4 | 60 ±15 |
جدول قطع وصل و تنظیم کنترل کننده های چیلرهای سیلندر پیستونی کریر نشان داده شده است.
نشانگر رطوبت – مایع سایت گلس چیلر کریر
جریان شفاف مایع مبرد نشانه شارژ کافی سیستم است. وجود حباب بیانگر شارژ ناکافی سیستم یا وجود گازهای غیرقابل تقطیر است. میزان رطوبت در سیستم که با واحد بخش در میلیون(ppm) اندازه گیری می شود رنگ نشانگر را تغییر می دهد.
- رنگ سبز، رطوبت کمتر از 330 ppm
- احتیاط – بین 380 تا 550
- زرد (مرطوب) – بالای 550
با مشاهده اولین آثار رطوبت در سیستم، مغزی های فیلتر درایر را عوض کنید. هر مدار مبرد دارای یک نشانگر است.
با شروع کار دستگاه، رطوبت سنج باید با مبرد مایع در تماس باشد تا میزان درست رطوبت را نشان دهد. قبل از تعیین میزان رطوبت، لازم است دستگاه های 30HSZ کاملاً شارژ شده وراه اندازی شوند.
نکته مهم: دستگاه حتماً باید حداقل 12 ساعت کار کند تا رطوبت سنج عدد دقیق را نشان دهد.
(ترموستات ایمنی) آنتی فریز
این ترموستات، قطع کن دمای پایین آب و از نوع غیر برگشتی بوده و به صورت دستی تنظیم می شود و وظیفه آن محافظت از سیستم در برابر یخ زدگی ناشی از کارکرد نامناسب آن می باشد. سنسور در بالای پوسته کولر(اواپراتور) و در مسیر آب سرد خروجی نصب می شود. فریز استات طوری تنظیم شده که در دمای 36±2F مدار کنترل را قطع و دستگاه را قفل کند. قبل از این که بتوان دستگاه را دوباره تنظیم نمود باید ابتدا ترموستات دوباره تنظیم شود. پمپ مدار آب سرد درطول مدت زمان توقف کامل دستگاه، به کار خود ادامه می دهد.
وقتی دما به کمتر از 33F می رسد، سیم را در محل اتصالی که در خط خروجی آب سرد از (کولر) اواپراتور تعبیه شده نصب کنید.
پس از آن و حداقل فصلی یک بار محل نصب ترموستات را چک کنید.
برای بازرسی پیچ گوشتی را در شیار پیچ قرار دهید و بپیچانید تا درست روی عدد دمای مورد نظر قرار گیرد. حباب سنسور را درون بطری خلاء که با مخلوطی از آب و یخ خرد شده پر شده، قرار دهید. مخلوط را با ترمومتر (دماسنج) هم بزنید. همان طور که یخ ذوب می شود، دمای مخلوط نیز پایین می اید بنابراین ترموستات آنتی فریز باید قطع کند.

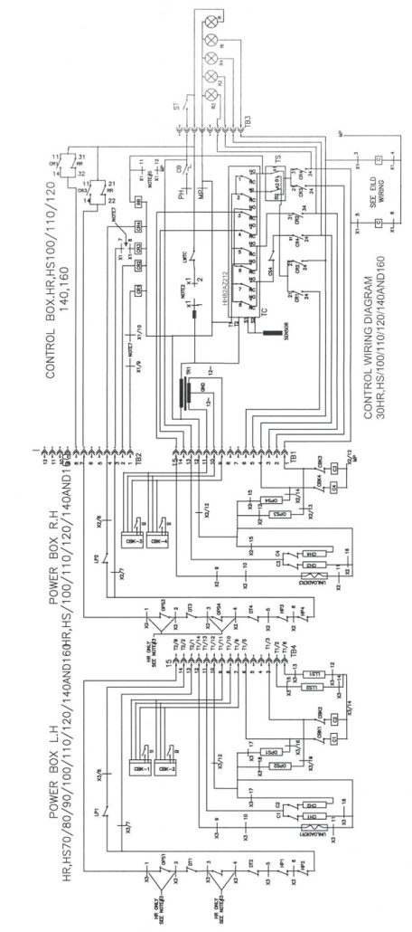
عیب یابی تابلو برق چیلر
در دستگاه های 400 ولت، سیم کشی برق کنترل از L1 به PH میباشد که این وظیفه بر عهده یک سیم خنثی است که به MP متصل است (شکل 2 را ببینید). یک سیرکوئیت برکر (قطع کن مدار) دو قطبی نقش سوئیچ مدار کنترل را بازی میکند. گرمکن های مخزن روغن، درمدار کنترل و بالای سوئیچ START-STOP قرار دارند، بنابراین تا وقتی که مدار برق دار است، حتی وقتی دستگاه بر اثر عکس العمل یکی از تجهیزات ایمنی خاموش شده باشد، گرمکن ها فعال خواهند بود. البته گرمکن ها تنها زمانی که کمپرسور مربوط به آنها قطع و وصل نمیشود، روشن میباشند.
احتیاط : مدار برق کنترل مگر وقتی که دستگاه دردست تعمیر است هرگز نباید قطع شود.
بعد از یک خاموشی طولانی مدت دستگاه، باید 24 ساعت قبل از راه اندازی مجدد، گرمکن های مخزن روغن را روشن کنید. وقتی برق مدار کنترل وصل می شود و کلید مدار کنترل روشن است، به شرط این که همه تجهیزات ایمنی سالم و بی نقص باشند و مدارهای اینترلاک بسته (وصل) باشند و طبق دستورالعمل های مندرج در بر چسب ها عمل کرده باشید، دستگاه آماده بهره برداری است.
وقتی کلید START-STOP درصفحه کنترل روی وضعیت Start قرار دارد، یک چراغ قرمز رنگ که آن هم روی صفحه کنترل است به عنوان نشانگر، روشن می شود و کنترل کننده مرحله ای و رله های کنترل 1 تا 4 برق دار می شوند. پس ار حداکثر 1.5 دقیقه، رله بازگشتی برق دار می شود و کنترل کننده مرحله ای (در جهت تخلیه بار) به منظور قرار گرفتن در وضعیت راه اندازی کمپرسور، در فواصل زمان کوتاه، قطع و وصل می شود تا دستگاه به حد میزان بار لازم برسد. پس از این که مراحل راه اندازی تکمیل شد، کنترل کننده با خاموش و روشن شدن خود کمپرسور را از زیر بار در می آورد و دوباره به زیر بار می برد تا ظرفیت کنترل لازم برای نگه داشتن آب در دمایی که کنترل کننده روی آن دما تنظیم شده است را حفظ کند. بادامک کنترل کننده مرحله ای در کارخانه طوری تنظیم می شود که جلوی خاموش و روشن شدن سریع کمپرسور را بگیرد.
خاموشی کل دستگاه
دستگاه ممکن است به هر یک از دلایل زیر خاموش شود: برق اصلی قطع شود، فیوز تغذیه برق کنترل دستگاه قطع شود، سوئیچ کنترل مدار باز شود، قطع کننده مدار کنترل باز شود، کلید START-STOP در وضعیت Stop قرار گیرد، اتصالات قطع در اثر دمای پایین آب، باز شود، اتصالات هر یک از مدارهای اینترلاک باز شده باشد.
قطع تنها یک مدار
قطع یک مدار تنها، ممکن است در اثر باز شدن اتصالات هر یک از محافظ های حرارتی موتور، باز شدن اتصال در سوئیچ فشار پایین، باز شدن اتصالات در سوئیچ ایمنی روغن (در صورت وجود)، باز شدن اتصالات در سوئیچ فشار بالا رخ دهد.
چنانچه یک مدار در اثر واکنش یکی از تجهیزات ایمنی قطع شود، روی مدار های دیگر تاثیری نمی گذارد. علاوه بر خاموش شدن کمپرسور (کمپرسورها)، همه تجهیزات ایمنی به جز سوئیچ ایمنی فشار پایین، باعث بسته شدن شیر برقی مسیر مایع مبرد درهمان مدار نیز می شود.





راهنمای رفع عیب دستگاه
| نشانه عیب | عامل احتمالی ایجاد عیب | روش رفع عیب |
| کمپرسور کار نمیکند. | خط تغذیه برق باز است. | قطع کن مدار را ریست کنید. |
| قطع کن مدار کنترل باز است. | اتصال زمین یا اتصال کوتاه آن را چک کنید. | |
| ترموستات ایمنی عمل کرده است. | ترموستات را ریست کنید. | |
| قطع کن برق ورودی عمل کرده است. | کنترلها را بررسی نموده و دلیل قطع را پیدا کرده و قطع کن را ریست کنید. | |
| پمپ گردش کندانسور کار نمی کند. | پمپ را خاموش و مجددا روشن کنید. درصورت گرفتگی پمپ، گرفتگی آن را بر طرف کنید. درصورت ایراد در سیم پیچی، موتور پمپ را مجددا سیم پیچی کنید. در صورت خرابی آن را تعویض نمائید. | |
| اتصالات ترمینال ها شل شده است. | اتصالات را چک کنید. | |
| کنترل ها سیم کشی مناسبی ندارد. | سیم کشی را کنترل کرده و مجددا سیم کشی نمائید. | |
| ولتاژ خط پائین است. | ولتاژ خط را کنترل کرده و محل افت ولتاژ را مشخص کنید و نواقص را برطرف نمائید. | |
| موتور کمپرسور معیوب است. | سیم پیچی موتور را کنترل کرده و درصورت نیاز کمپرسور را تعویض نمائید. | |
| کمپرسور قفل کرده است. | کمپرسور را عوض کنید. | |
| کمپرسور در کنترل فشار پائین خاموش و روشن می شود.. | کنترل فشار پائین بطور نامنظم عمل میکند. | درجه تنظیم تفاضلی را بالا ببرید. لوله های موئین را از لحاظ گرفتگی کنترل کنید. کنترل فشار پائین را تعویض کنید. |
| شیر مکش کمپرسور نشتی دارد. | شیر را تعویض کنید. | |
| شیر قطع مکش کمپرسور در حالت نیمه بسته قرار گرفته است. | شیر را باز کنید. | |
| شارژ کم مبرد | مبرد اضافه کنید. | |
| صافی مکش کمپرسور گرفته است. | صافی را تمیز کنید. | |
| کمپرسور در کنترل فشار بالا خاموش می شود. | کنترل فشار بالا بطور نامنظم عمل می کند. | لوله های موئین را از لحاظ گرفتگی کنترل کرده و کنترل کننده ها را بر حسب نیاز تنظیم کنید. |
| شیر تخلیه کمپرسور نیمه بسته است. | شیر را باز کنید یا در صورت خرابی آن را تعویض کنید. | |
| در سیستم هوا وجود دارد. | هوا را تخلیه کنید. | |
| کندانسور رسوب گرفته است. | کندانسور را تمیز کنید. | |
| رسیور بطور کامل تخلیه نشده است. مبرد به سمت کندانسور تبخیری بر می گردد. | درصورت نیاز مجددا لوله کشی نمائید. مسیرهای کافی جهت تخلیه فراهم نمائید. | |
| پمپ آب کندانسور و یا فن کندانسور کار نمی کند. | پمپ را روشن کنید. درصورت خرابی تعمیر و یا تعویض نمائید. | |
| کمپرسور زیر بار نمی رود. | پیستون بای پس صدمه دیده است. | آن را تعویض کنید. |
| شیر سوزنی گرفتگی دارد. | آن را تمیز کنید. | |
| سیم کشی سلونوئید نادرست است. | سیم کشی را درست کنید. | |
| ورودی صافی بای پس گرفته است. (سمت پر فشار) | آن را تمیز کنید. | |
| میزان مکش کمپرسور بالاست | شیر یکطرفه در جای خود گیر کرده است. | اجزای شیر یکطرفه را چک کنید و در صورت نیاز آن را تمیز یا تعویض کنید. |
| آنلودر (تخلیه بار) به سرعت قطع و وصل می کند. | شیر یکطرفه در جای خود گیر کرده است | اجزای شیر یکطرفه را چک کنید و در صورت نیاز آن را تمیز یا تعویض کنید |
| دستگاه مداوم یا به مدت طولانی کار می کند. | میزان مبرد شارژ شده کم است. | مبرد اضافه کنید. |
| اتصالات کنترل کننده ها ذوب شده است. | کنترل کننده را تعویض کنید. | |
| در سیستم هوا وجود دارد. | هوا را تخلیه کنید. | |
| شیر انبساط و یا صافی دچار گرفتگی شده است. | آن ها را تمیز و یا تعویض کنید. | |
| عایقکاری ایراد دارد. | عایقکاری را تعویض و یا تعمیر کنید. | |
| بار محیط تهویه شده زیاد است. | در و پنجره ها را بسته نگه دارید. | |
| کمپرسور با راندمان پائین کار می کند. | شیرها را چک و درصورت نیاز آنها را تعویض کنید. | |
| در سیستم سر و صدای اضافی شنیده می شود.. | در لوله کشی ارتعاش وجود دارد. | درصورت لزوم لوله ها را ساپورت گذاری کنید. اتصالات لوله ها را در صورت شل بودن محکم کنید. |
| شیر انبساط صدای اضافی می دهد. | مبرد اضافه کرده و کنترل کنید که صافی خط مایع دچار گرفتگی نشده باشد. | |
| کمپرسور سر و صدای اضافی دارد. | شیرها را از نظر ایجاد صدا کنترل کنید. کمپرسور را تعویض کنید. (یاتاقان ها مشکل دارند.) کنترل کنید که پیچ های نگهدارنده پائینی کمپرسور شل نشده باشند. | |
| کمپرسور روغن کم می کند. | در سیستم نشتی وجود دارد. | نشتی را برطرف کنید. |
| صدمه مکانیکی (پیستون در پائین گیر کرده و یا شیر تخلیه شکسته است.) | خرابی را تعمیر کرده و یا کمپرسور را تعویض کنید. | |
| در مدار، تله روغن ایجاد شده است. | لوله کشی را کنترل کنید تا در آن تله روغن ایجاد نشده باشد. | |
| گرمکن مخزن روغن در طول زمان خاموشی دستگاه کار نمی کند. | گرمکن ها را تعویض کنید، سیم کشی و اتصالات کمکی را کنترل نمائید. | |
| خط مکش برفک زده و یا عرق کرده است. | مبرد زیادی از شیر انبساط عبور می کند. | شیر انبساط را تنظیم کنید. |
| خط مایع داغ است. | مبرد به دلیل وجود نشتی کم شده است. | نشتی را تعمیر کرده و مبرد را مجددا شارژ نمائید. |
| شیر انبساط خیلی باز شده است. | شیر انبساط را تنظیم کنید. | |
| خط مایع برفک زده است. | شیر قطع کن رسیور نیمه بسته یا گرفته است. | شیر را باز کرده و یا گرفتگی را برطرف کنید. |
| فیلتر درایر گرفته است. | گرفتگی را برطرف کرده و یا آنرا تعویض کنید. | |
| کمپرسور از زیر بار خارج نمی شود. | کویل سوخته است. | کویل را تعویض کنید. |
| پیستون بای پس نشتی دارد. | تمیز و یا تعویض نمائید. | |
| شیر سوزنی گیر کرده است. | تمیز کنید. | |
| سیم کشی سلونوئید نامناسب است | سیم کشی را درست کنید. | |
| ورودی بای پس گرفته است. (سمت کم فشار) | تمیز کنید. | |
| فنر پیستون بای پس ضعیف شده است. | تعویض کنید. |

