یکی از مهمترین قسمت ها در تهویه مطبوع هواسازها هستند. هواساز ها با استفاده از گردش هوا و تغییر درجه حرارت در اتاق باعث کاهش یا افزایش دمای هوا می گردد. هواساز ها به طور مرکزی و با استفاده از کانال کشی انتخاب می گردند و همراه با کویل آب گرم و سرد و یا کویل مبرد و با تجهیز شدن به فن های سانتی فیوژ باعث گردش هوا می شود. به طور کلی بعد از براورد بار ساختمان اولین تجهیزی که مورد انتخاب قرار می گردد، هواساز است. که مطابق با مصرف هواساز برای تامین بار ساختمان، چیلر و دیگر تجهیزات انتخاب می گردد. انتخاب صحیح هواساز باعث آسایش مورد نیاز نفرات تحت پوشش میگردد.
به منظور پاکیزه نگه داشتن فیلترها، وقتی دستگاه هواساز از کارخانه ارسال می شود در قسمت نصب فیلترهای آن، فیلترها را نصب نمی کنند. استاندارها پیشنهاد می کند که فیلترها درآخرین زمان قبل از راه اندازی هواساز، سرجای خود کار گذاشته شوند.

فیلترهای کیسه ای و پیش فیلترها از طریق درب های دسترسی قابل دسترسی می باشند. برای دسترسی سریع به فیلترهایی که به صورت ردیفی نصب شده اند از پانل های برداشتنی که سریع جدا می شوند استفاده می شود.
فیلترهایی که به صورت ردیفی نصب می شوند به منظور سهولت در برداشتن و جایگذاری مجدد با استفاده از بست محکم می شوند. فیلترهایی که روی چارچوب قرار می گیرد توسط 4 عدد گیره سر جای خود محکم می شوند.
مهمترین مزیت هواساز پالایش هوای تهویه شده است در هواساز با توجه به امکان قرار گیری انواع فیلتر ها نظیر فیلتر کاغذی کیسه ای و فیلترهای هپا کاربرد فراوام می اورد. بدین منظور از هواسازها در بیمارستان ها و اتاق های تمیز در صنعت داروسازی استفاده فراوان میشود. در صنایع الکترونیک به جهت کاهش آلاینده گی باید ذرات معلق در هوا را کاهش داد این کاربردها فقط با استفاده از هواسازهای صنعتی امکان پذیر میباشد. در اتاق عمل باید کیفیت هوای اتاق تا مقدار قایل توجهی کاهش یابد که به این جهت باید با استفاده از تعبیه فیلتر هپا در هواساز بهره جست در این فیلترها با بازده بالا که در نقطه ورود به اتاق تميز مورد استفاده قرار مى گيرند و دارای بازده 99.9 درصدی و قابلیت جذب ذرات تا 0.3 میکرونی و بزرگتر را دارند همچنین علاوه بر تامین هوای تازه نگهداری، استاندارد عمومی تهویه مطبوع اتاق برای اتاق های عمل در بیمارستان ها آن است که دمای هوا باید۲۰ تا ۲۴ درجه سانتیگراد (معادل ۶۸ تا ۷۶ فارنهایت) و رطوبت نسبی بین 50 تا 60 درصد نگه داشته شود.
تفاوت هواساز (AHU) با فنکوئل و روفتاپ پکیج
در بسیاری از پروژههای ساختمانی، بهویژه پروژههای اداری، تجاری و درمانی، این سؤال مطرح میشود که هواساز، فنکوئل یا روفتاپ پکیج کدام انتخاب مناسبتری است. هرکدام از این سیستمها عملکرد مشخصی دارند و انتخاب نادرست میتواند باعث افزایش مصرف انرژی، کاهش کیفیت تهویه و هزینههای نگهداری بالا شود.
هواساز (AHU) یک سیستم مرکزی است که وظیفه تأمین، تصفیه، کنترل دما و رطوبت هوا را بر عهده دارد. در AHU هوا پس از عبور از فیلترها، کویلهای سرمایشی یا گرمایشی و در صورت نیاز رطوبتزن یا رطوبتگیر، از طریق کانالکشی به فضاهای مختلف توزیع میشود. به همین دلیل هواساز معمولاً در پروژههایی استفاده میشود که کیفیت هوا، فیلتراسیون و کنترل شرایط محیطی اهمیت بالایی دارد.
در مقابل، فنکوئل یک تجهیز موضعی است که تنها وظیفه آن تأمین سرمایش یا گرمایش فضاست و هوای تازه را تأمین نمیکند. فنکوئلها به یک سیستم مرکزی مانند چیلر یا دیگ متصل هستند اما برای تهویه نیاز به سیستم جداگانه دارند. به همین دلیل در فضاهایی که کیفیت هوای داخلی اهمیت بالایی دارد، استفاده از فنکوئل بهتنهایی کافی نیست.
روفتاپ پکیج را میتوان ترکیبی از هواساز و سیستم سرمایش/گرمایش دانست که معمولاً روی بام نصب میشود. این سیستمها بیشتر در پروژههای صنعتی یا سالنهای بزرگ استفاده میشوند. هرچند نصب آنها سادهتر است، اما انعطافپذیری و دقت کنترلی هواساز را ندارند.
بهطور خلاصه:
هواساز: مناسب پروژههای حرفهای با نیاز به کنترل دقیق هوا
فنکوئل: مناسب فضاهای کوچک یا مکمل سیستمهای تهویه
روفتاپ پکیج: مناسب سالنها و فضاهای وسیع با نیازهای عمومی
بررسی کانال کشی های هواساز
هواسازها به وسیله کانال هوای پالایش شده را به محیط مورد نظر ارسال میکنند در کانال کشی های معمولا به وسیله کانال های گالوانیزه در اشکال دایره ای یا مستطیل ساخته میشود. ابعاد کانالهای هواسازها براساس میزان هوادهی آنها مشخص میگردد. کانال ها در هواسازهای صنعتی و خانگی سه بخش کانال رفت کانال برگشت و کانال هوای تازه تقسیم بندی میگردد.
کانال هوای رفت
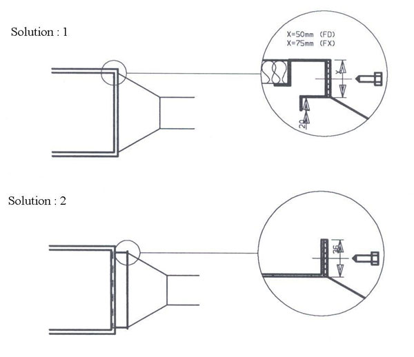
دستگاه هواساز تنها باید به شبکه کانالی وصل شود که ابعاد آن مطابق با نقشه های تایید شده می باشند.
• استفاده از یک واسطه انعطاف پذیر جهت اتصال شبکه کانال به دستگاه هواساز

• استفاده از یک واصل صلب بین شبکه کانال و دستگاه هواساز

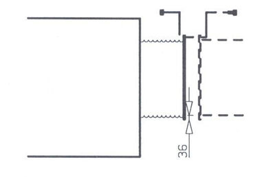
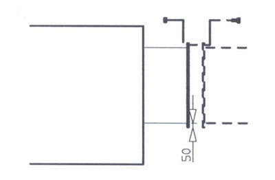
هوای برگشتی:
می توان کانال هوای برگشتی را مستقیماً یا از طریق یک واسطه انعطاف پذیر به دستگاه هواساز (یا به بدنه دستگاه یا در صورت وجود، به دمپر هوای برگشتی) متصل نمود (نمودار زیر را ببینید).
از هر روشی که استفاده شود، ابعاد اصلی باید طبق نقشه های تایید شده باشد.



اتصالات لوله کشی
هواساز ها به وسیله کویل باعث هوای در گردش را مورد تهویه قرار میدهند پیش از اتصال دستگاه به هر سیستم لوله کشی، بسته بندی محافظ را از کلیه هدرهای کویل و چند راهه ها (مانیفلند) بردارید.
سیستم لوله کشی باید بر اساس شرایط اجرایی مناسب، قوانین عملی و طوری طراحی شود که هیچ گونه گشتاور محوری یا شعاعی به کویل یا نگهدارنده های آن اعمال نکند و البته مستقل از کویل در تمام طول مسیر آن باید از تکیه گاه های مناسب استفاده شود.
کویل آب هواساز
لوله کشی آب رفت باید حداقل هم سایز اتصال چند راهه (مانیفلند) باشد تا سرعت آب رفت جاری در آن در تمام لوله های درون کویل یکنواخت بوده ضربه قوچ ایجاد نشود.
احتیاط: سفت کردن بیش از حد اتصالات هدرهای کویل و چند راهه (مانیفلند) ها به آن ها آسیب می زند، در بهترین حالت، عمر اتصالات عمر لوله های مسی را کوتاه می کند.
اتصالات ورودی و خروجی آب درهر کویل در جایی از بدنه دستگاه در پانل متحرک (که توسط پیچ در جای خود مهار شده است) خارج می شوند. می توانید درنقشه های ابعادی تایید شده که هدرهای کویل ها و چند راهه (مانیفلند) ها نیز در آن ها نشان داده شده، این ورودی و خروجی ها را ببینید.
درکویل های استاندارد، ورودی آب می تواند یا در بالای کویل باشد و یا در انتهای پایین کویل و نیز می توان هم از اتصالات راست گرد و هم از اتصالات چپ گرد در آن استفاده نمود که البته شرایط جریان مخالف نیز در هر حالت باید حفظ شود.


کویل بخار
شیرهای هواگیری باید در هر کویل تا جایی که امکان دارد نزدیک به خود کویل بوده و هر کویل باید دارای تله هایی باشد که با تجهیزات ایمنی کنترلی یا ترموستات که در مسیر برگشت هر کویل قرار دارد کنترل می شود.
هرگز وقتی احتمال دارد دمای هوای ورودی زیر صفر باشد، از کویل بخار استفاده نکنید.
کویل بخار هرگز به طور کامل تخلیه نمی شود و این مربوط به طراحی اولیه این نوع کویل هاست. بنابراین، این خطر وجود دارد که کندانس باقی مانده در کویل یخ بزند و به آن آسیب برساند.

نکات مهم در انتخاب و طراحی هواساز (AHU)
انتخاب و طراحی هواساز تنها به دانستن ظرفیت دستگاه محدود نمیشود. یک AHU زمانی عملکرد مطلوب خواهد داشت که متناسب با شرایط پروژه، نوع کاربری و نیازهای واقعی ساختمان طراحی شود. در ادامه مهمترین نکاتی که باید در طراحی هواساز در نظر گرفته شود را بررسی میکنیم.
اولین و مهمترین نکته، ظرفیت هوادهی هواساز است. حجم هوای مورد نیاز باید بر اساس متراژ فضا، تعداد افراد، نوع کاربری و استانداردهای تهویه محاسبه شود. انتخاب ظرفیت کمتر از حد نیاز باعث کاهش کیفیت هوا و انتخاب ظرفیت بیش از حد باعث افزایش مصرف انرژی خواهد شد.
نکته دوم، نوع و تعداد فیلترها است. در فضاهایی مانند بیمارستانها، آزمایشگاهها یا مراکز درمانی، استفاده از فیلترهای چندمرحلهای و فیلترهای هپا اهمیت زیادی دارد. در فضاهای اداری یا تجاری، فیلترهای معمولی با راندمان مناسب کفایت میکند.
شرایط اقلیمی و محل نصب هواساز نیز نقش مهمی در طراحی دارد. هواسازی که در فضای باز نصب میشود باید در برابر رطوبت، گردوغبار و تغییرات دمایی مقاوم باشد. همچنین محل نصب باید دسترسی مناسب برای سرویس و نگهداری داشته باشد.
یکی دیگر از موارد مهم، طراحی صحیح کانالکشی و مسیر توزیع هوا است. حتی بهترین هواساز هم اگر کانالکشی مناسبی نداشته باشد، عملکرد مطلوبی نخواهد داشت. افت فشار، صدای زیاد و توزیع نامناسب هوا معمولاً نتیجه طراحی نادرست کانالهاست.
در نهایت، نگهداری و سرویس دورهای باید از همان مرحله طراحی در نظر گرفته شود. پیشبینی فضای کافی برای تعویض فیلترها، دسترسی به کویلها و تجهیزات کنترلی، باعث افزایش عمر مفید هواساز و کاهش هزینههای بهرهبرداری میشود.
انتخاب و اندازه گذاری شیرهای کنترل
اندازه شیرهای کنترل نسبی باید بر اساس ظرفیت هواساز یا ظرفیت سیستم تعیین شود. این شیرها، جریان آب داغ و آب سرد و نیز تغییر نرخ جریان بر اسا س شرایط را کنترل می کنند. در صورت تغییر وضعیت شیر، نرخ جریان درون سیستم نیز تغییر می کند که این خود باعث افت فشار می شود و اگر این افت فشار از افت فشار کل سیستم بیشتر باشد باعث می شود شیر، عامل اصلی کنترل سیستم محسوب شود. که در این صورت باید شیر را حتی وقتی که کاملاً باز است، به عنوان عامل اصلی افت فشار کل سیستم تلقی نماییم.
اگر اندازه شیر کوچکتر از حد مورد نیاز سیستم تعیین شود، تنها وقتی که بسته است افت فشار ایجاد می کند. در صورتی که جریان سیال بسیار بالا باشد، به سرعت باعث خورده شدن صفحه کنترل و نشیمن گاه شیر می شود.
به طور مشابه، اگر اندازه شیر بزرگتر از حد مورد نیاز سیستم تعیین شود، منجر به تغییر درجه حرارت می شود که این باعث عدم پایداری سیستم به خصوص هنگامی که کاملاً زیر بار نیست، می گردد. شیری که اندازه آن صحیح انتخاب شده باید همیشه باعث افزایش افت فشار، یا افزایش فشار در سیستم شود تا سیستم بتواند عملکردی مناسب و کافی داشته باشد.
این افت فشار (ΔP) در شیر کنترل، زمانی که شیر کاملاً باز است اندازه گیری می شود. اختلاف فشار (ΔP) در یک شیر آب سرد، بستگی به عملکرد آن دارد. مثلاً، در یک سیستم نسبی به علت تغییرات در نرخ جریان سیستم، اختلاف فشار درشیر باید بالا باشد. لازم به ذکر است همیشه اندازه شیر را برای حداکثر افت فشار در بحرانی ترین شرایط کاری سیستم را انتخاب کنید.
انتخاب یک شیر سه راهه آب هواساز
بهتر است شیر آبی که انتخاب کرده ایم افت فشاری معادل 50% افت فشار کل سیستم داشته باشد که عملاً همیشه عدد بزرگتری حاصل می شود. عملاً اگر سایز شیری مناسب انتخاب شده باشد باید یا مساوی با سایز لوله کشی باشد یا کمتر از آن. شیری که بر اساس سایز چند راهه (مانیفلند) های کویل انتخاب شده باشد، انتخاب مناسبی نیست و منجر به کنترل ضعیف سیستم می شود.
انتخاب شیر دوراه بخار هواساز
کلیه شیرهای بخار از نوع شیرهای دو راهه می باشند. جریان بخار هرگز نباید تعدیل شود. حداکثر کنترلی که روی کل جریان بخار باید انجام شود (یا اصلاً نمی تواند انجام شود)، از طریق باز کردن بسیار آرام شیر بخار است.

